热门关键词: 不锈钢减压器 瓶阀 单向阀 气体黄片草莓视频下载 不锈钢草莓小视频禁止18岁

ZMAQ(BX)型气动薄膜三通调节阀有合流和分流两种作用方式。阀芯结构采用圆筒薄壁窗口,并采用阀芯侧面导向。三通阀在某些场合可以替代两个二通和一个三通阀在某些场合可以替代两个二通和一个三通接管而得到广泛应用,常用于热交换器的两相调节,也可用于简单的配比调节。
ZMAQ(BX)型气动薄膜三通调节阀有合流和分流两种作用方式。阀芯结构采用圆筒薄壁窗口,并采用阀芯侧面导向。三通阀在某些场合可以替代两个二通和一个三通阀在某些场合可以替代两个二通和一个三通接管而得到广泛应用,常用于热交换器的两相调节,也可用于简单的配比调节。
一、主要技术参数和性能指标
1、调节机构主要技术参数
2、执行机构主要技术参数
3、性能指标
注:一般均应带定位器
4、允许压差
可配附件
定位器 手轮机构 空气过滤减压器等。
二、主要零件材料及推荐使用温度范围
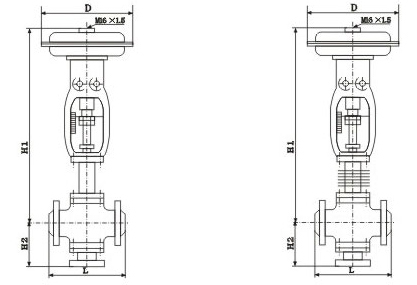
三、外形尺寸
注:公称通径小于8的分流阀采用同口径的合流阀代替
订货须知
订货时请注明:
1、产品型号
2、公称通径、额定流量系数Kv
3、信号压力、弹簧范围
4、流量特性
5、阀前阀后压差
6、介质种类
7、介质工作温度范围
8、阀体、阀塞、套筒材质
9、是否带手轮机构及定位器、并说明型号
10、是否有其它特殊要求
全国服务热线